
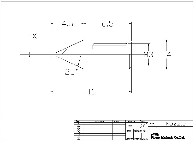
PCTFE nozzle, 0.7 mm bore. Suitable for handling semiconductor dies, etc. PCTFE has very similar properties to PTFE, including low outgassing and excellent resistance to chemicals.
| Model | 21-0.7 |
| Bore diameter | 0.7 mm |
| Outer diameter of nozzle | 1.1 mm |
| Fitting | M3 thread |
